

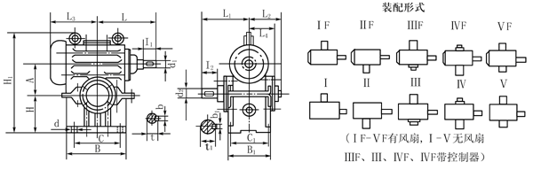
型號 尺寸 | A | L | L1 | L2 | L3 | L4 | H | H1 | B | B1 | C | C1 | d | d1(gc1) | d2(gc1) | b | b1 | t | t1 | l1 | l2 | 重量/kg |
WHX120 | 120 | 250 | 240 | 145 | 229.5 | 136.5 | 120 | 394 | 275 | 260 | 215 | 220 | M16 | 35 | 55 | 10 | 16 | 38.5 | 61.2 | 60 | 82 | 89~94 |
WHX125 | 125 | 235 | 235 | 145 | 225 | 134 | 125 | 400 | 270 | 270 | 210 | 230 | M16 | 35 | 55 | 10 | 16 | 37.8 | 58.5 | 58 | 82 | 83~103 |
WHX150 | 150 | 300 | 280 | 165 | 270.5 | 153.5 | 150 | 483.5 | 320 | 300 | 250 | 250 | M20 | 40 | 60 | 12 | 18 | 43.5 | 66.8 | 70 | 102 | 136~150 |
WHX160 | 160 | 290 | 290 | 165 | 265 | 154 | 160 | 505 | 330 | 310 | 250 | 260 | M20 | 40 | 65 | 12 | 18 | 42.8 | 68.9 | 82 | 105 | 140~157 |
WHX180 | 180 | 375 | 295 | 180 | 324 | 169 | 180 | 574 | 385 | 335 | 305 | 285 | M20 | 45 | 70 | 14 | 20 | 49 | 77.2 | 70 | 102 | 210~230 |
WHX200 | 200 | 360 | 345 | 195 | 365 | 184 | 200 | 628 | 430 | 360 | 330 | 310 | M20 | 50 | 80 | 16 | 24 | 53.5 | 85 | 82 | 130 | 290~316 |
WHX210 | 210 | 420 | 335 | 200 | 358.5 | 194 | 200 | 654 | 440 | 385 | 350 | 325 | M24 | 50 | 80 | 16 | 24 | 55 | 88.7 | 90 | 112 | 280~340 |
WHX250 | 250 | 430 | 370 | 220 | 422 | 214 | 220 | 748 | 510 | 420 | 410 | 360 | M24 | 60 | 90 | 18 | 24 | 65.5 | 98.7 | 110 | 122 | 400~440 |
WHX280 | 280 | 485 | 430 | 245 | 485 | 233 | 250 | 838 | 610 | 470 | 480 | 400 | M24 | 60 | 100 | 18 | 28 | 63.9 | 105.7 | 105 | 165 | 535~600 |
WHX300 | 300 | 580 | 410 | 250 | 505 | 242 | 260 | 900.5 | 620 | 480 | 510 | 410 | M30 | 70 | 100 | 20 | 28 | 76 | 110 | 130 | 138 | 598~695 |
WHX320 | 320 | 525 | 455 | 265 | 525 | 256 | 280 | 953 | 880 | 520 | 550 | 440 | M30 | 70 | 110 | 20 | 32 | 74.2 | 116.5 | 105 | 165 | 725~810 |
WHX360 | 360 | 668 | 480 | 270 | 560 | 267 | 300 | 1055 | 740 | 530 | 620 | 460 | M30 | 80 | 120 | 24 | 32 | 87 | 131.2 | 160 | 178 | 854~944 |
WHX400 | 400 | 630 | 525 | 300 | 605 | 291 | 320 | 1155 | 820 | 610 | 660 | 520 | M30 | 80 | 130 | 24 | 36 | 85 | 137.2 | 130 | 200 | 1320~1470 |
WHX420 | 420 | 745 | 535 | 310 | 640 | 299 | 340 | 1215.5 | 850 | 585 | 740 | 515 | M30 | 90 | 130 | 24 | 36 | 97 | 142.3 | 160 | 198 | 1350~1500 |
WHX450 | 450 | 680 | 560 | 325 | 670 | 319 | 355 | 1296 | 910 | 670 | 730 | 570 | M36 | 80 | 150 | 24 | 40 | 85 | 158.5 | 130 | 200 | 1670~1860 |
WHX500 | 500 | 730 | 625 | 355 | 725 | 343 | 400 | 1435 | 1000 | 730 | 810 | 620 | M36 | 90 | 170 | 24 | 40 | 95 | 178.5 | 130 | 240 | 2160~2410 |

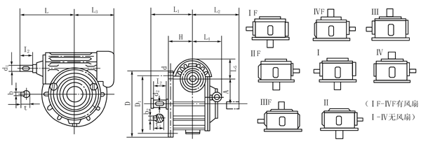
型號 尺寸 | A | L | L1 | L2 | L3 | L4 | H | H1 | B | B1 | C | C1 | d | d1(gc1) | d2(gc1) | b | b1 | t | t1 | l1 | l2 | 重量/kg |
WHS120 | 120 | 250 | 240 | 145 | 229.5 | 136.5 | 160 | 406 | 275 | 230 | 215 | 190 | M16 | 35 | 55 | 10 | 16 | 38.5 | 61.2 | 60 | 82 | 92~97 |
WHS125 | 125 | 235 | 235 | 145 | 225 | 134 | 160 | 416 | 270 | 230 | 210 | 190 | M16 | 35 | 55 | 10 | 16 | 37.5 | 58.5 | 58 | 82 | 95~104 |
WHS150 | 150 | 300 | 280 | 165 | 270.5 | 153.5 | 200 | 495.5 | 320 | 260 | 240 | 210 | M20 | 40 | 60 | 12 | 18 | 43.5 | 66.8 | 70 | 102 | 146~160 |
WHS160 | 160 | 290 | 290 | 165 | 265 | 154 | 200 | 510 | 330 | 270 | 250 | 220 | M20 | 40 | 65 | 12 | 18 | 42.8 | 68.9 | 82 | 105 | 148~164 |
WHS180 | 180 | 375 | 295 | 180 | 319 | 169 | 230 | 575 | 385 | 290 | 305 | 240 | M20 | 45 | 70 | 14 | 20 | 49 | 77.2 | 70 | 102 | 210~230 |
WHS200 | 200 | 360 | 345 | 195 | 365 | 184 | 250 | 643 | 430 | 320 | 330 | 270 | M20 | 50 | 80 | 16 | 24 | 53.5 | 85 | 82 | 130 | 298~322 |
WHS210 | 210 | 420 | 335 | 200 | 354.5 | 194 | 270 | 665.5 | 440 | 330 | 350 | 270 | M24 | 50 | 80 | 16 | 24 | 55 | 88.7 | 90 | 112 | 285 |
WHS250 | 250 | 430 | 370 | 220 | 417 | 214 | 310 | 762 | 510 | 370 | 410 | 310 | M24 | 60 | 90 | 18 | 24 | 65.5 | 98.7 | 110 | 122 | 415~450 |
WHS280 | 280 | 485 | 430 | 245 | 485 | 233 | 320 | 839 | 610 | 410 | 480 | 340 | M24 | 60 | 100 | 18 | 28 | 63.9 | 105.7 | 105 | 165 | 560~725 |
WHS300 | 300 | 580 | 410 | 250 | 497 | 242 | 350 | 906 | 620 | 410 | 510 | 340 | M30 | 70 | 100 | 20 | 28 | 76 | 110 | 130 | 138 | 645~743 |
WHS320 | 320 | 525 | 455 | 265 | 525 | 256 | 355 | 951 | 680 | 460 | 550 | 380 | M30 | 70 | 110 | 20 | 32 | 74.2 | 116.5 | 105 | 165 | 740~825 |
WHS360 | 360 | 668 | 480 | 270 | 549 | 267 | 400 | 1031 | 740 | 460 | 620 | 390 | M30 | 80 | 120 | 24 | 32 | 87 | 131.2 | 160 | 178 | 896~990 |
WHS400 | 400 | 630 | 525 | 300 | 605 | 291 | 450 | 1173 | 820 | 540 | 660 | 450 | M30 | 80 | 130 | 24 | 36 | 85 | 137.2 | 130 | 200 | 1305~1425 |
WHS420 | 420 | 745 | 535 | 310 | 687 | 299 | 460 | 1208 | 850 | 520 | 720 | 440 | M30 | 90 | 130 | 24 | 36 | 97 | 142.3 | 160 | 198 | 1380~1530 |
WHS450 | 450 | 680 | 560 | 325 | 670 | 319 | 500 | 1312 | 910 | 590 | 730 | 490 | M36 | 80 | 150 | 24 | 40 | 85 | 158.5 | 130 | 200 | 1650~1830 |
WHS500 | 500 | 730 | 625 | 355 | 725 | 348 | 560 | 1460 | 1000 | 640 | 810 | 530 | M36 | 90 | 170 | 24 | 40 | 95 | 178.5 | 130 | 240 | 2070~2300 |

型號 尺寸 | A | L | L1 | L2 | L3 | L4 | L5 | H | D | D1 | d | d1(gc1) | d2(gc1) | b | b1 | t | t1 | l1 | l2 | 重量/kg |
WHC120 | 120 | 250 | 243 | 240 | 229.5 | 138.5 | 108.5 | 130 | 330 | 290 | M12 | 35 | 55 | 10 | 16 | 38.5 | 61.2 | 60 | 85 | 81~89 |
WHC125 | 125 | 235 | 235 | 235 | 225 | 140 | 95 | 140 | 330 | 290 | M12 | 35 | 55 | 10 | 16 | 37.8 | 58.5 | 58 | 84 | 91~100 |
WHC150 | 150 | 300 | 283 | 280 | 271.5 | 161 | 131 | 160 | 400 | 360 | M16 | 40 | 60 | 12 | 18 | 43.5 | 66.8 | 70 | 105 | 150~160 |
WHC160 | 160 | 290 | 290 | 290 | 265 | 161 | 105 | 165 | 410 | 370 | M16 | 40 | 65 | 12 | 18 | 42.8 | 68.9 | 82 | 107 | 147~163 |
WHC180 | 180 | 375 | 298 | 295 | 319 | 181.5 | 148 | 185 | 465 | 425 | M16 | 45 | 70 | 14 | 20 | 49 | 77.2 | 70 | 105 | 190 |
WHC200 | 200 | 360 | 345 | 345 | 365 | 207 | 130 | 200 | 490 | 450 | M16 | 50 | 80 | 16 | 24 | 53.5 | 85 | 82 | 132 | 284~308 |
WHC210 | 210 | 420 | 338 | 335 | 354.5 | 210 | 167.5 | 210 | 540 | 490 | M20 | 50 | 80 | 16 | 24 | 55 | 88.7 | 90 | 115 | 278~416 |
WHC250 | 250 | 430 | 373 | 370 | 417 | 222 | 185 | 230 | 620 | 570 | M20 | 60 | 90 | 18 | 24 | 65.5 | 98.7 | 110 | 125 | 385~416 |
WHC280 | 280 | 485 | 430 | 430 | 485 | 235 | 195 | 240 | 690 | 630 | M24 | 60 | 100 | 18 | 28 | 63.9 | 105.7 | 105 | 167 | 565~630 |
WHC300 | 300 | 580 | 412 | 410 | 497 | 244 | 211.5 | 270 | 750 | 690 | M24 | 70 | 100 | 20 | 28 | 76 | 110 | 130 | 140 | 668~758 |
WHC320 | 320 | 525 | 455 | 455 | 525 | 258 | 220 | 260 | 770 | 710 | M24 | 70 | 110 | 20 | 32 | 74.2 | 116.5 | 105 | 167 | 750~835 |
WHC360 | 360 | 668 | 482 | 480 | 549 | 269 | 235.5 | 300 | 900 | 830 | M30 | 80 | 120 | 24 | 32 | 87 | 131.2 | 160 | 180 | 934~1040 |
WHC400 | 400 | 630 | 525 | 525 | 605 | 293 | 250 | 300 | 970 | 890 | M30 | 80 | 130 | 24 | 36 | 85 | 137.2 | 130 | 202 | 1330~1450 |
WHC420 | 420 | 745 | 537 | 535 | 627 | 301 | 267 | 325 | 1000 | 930 | M30 | 90 | 130 | 24 | 36 | 97 | 142.3 | 160 | 200 | 1380~1490 |
WHC450 | 450 | 680 | 560 | 560 | 670 | 321 | 280 | 340 | 1090 | 1000 | M36 | 80 | 150 | 24 | 40 | 85 | 158.5 | 130 | 202 | 1675~1855 |
WHC500 | 500 | 730 | 625 | 625 | 725 | 350 | 300 | 370 | 1190 | 1100 | M36 | 90 | 170 | 24 | 40 | 95 | 178.5 | 130 | 242 | 2190~2420 |

魯公網安備 37149202000515號